Zum Hauptinhalt springen

Doepfer A-121s Stereo Multimode Filter


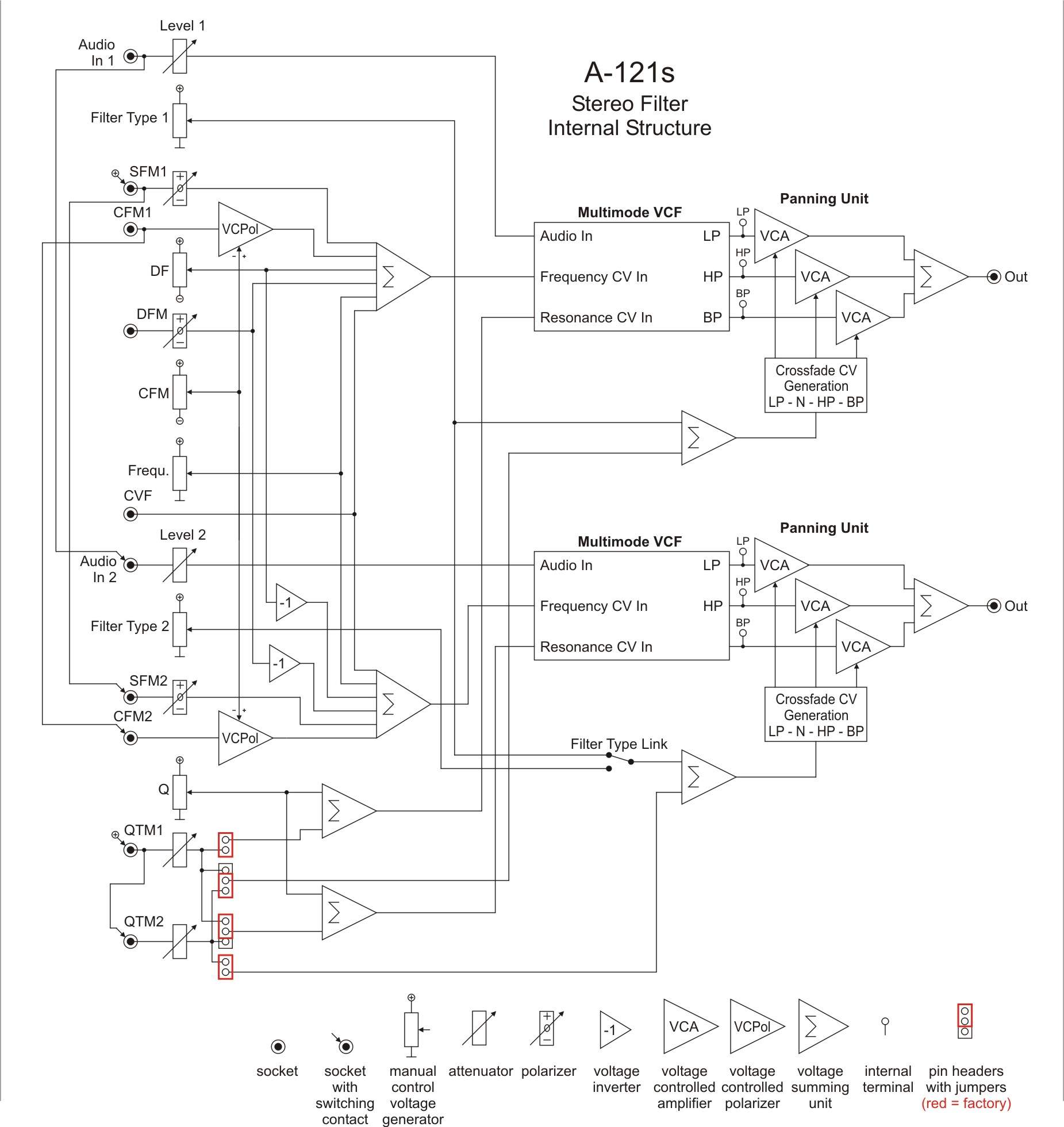
Das Modul A-121s ist ein zweifaches Multimode-Filter, das sowohl für Stereo-Anwendungen wie auch als parallel oder seriell geschaltetes Doppel-Filter eingesetzt werden kann. Die Filterschaltungen basieren auf einem Multimode-Filter mit einer Flankensteilheit von -12 dB/Oktave und sind identisch zu den Modulen A-121-2 bzw. A-121-3. Die Anwahl des Filtertyps erfolgt jedoch stufenlos von Tiefpass über Notch und Hochpass zu Bandpass. Bei den Bedienelementen und CV-Eingängen für die Steuerung der Filterparameter wurde jedoch speziell auf die Anwendung als Stereo- oder Doppel-Filter Wert gelegt. Es stehen sowohl Elemente für die gemeinsame wie auch für die individuelle Steuerung der Parameter Filterfrequenz (F), Resonanz (Q) und Filter-Typ (T) zur Verfügung. Für die Filterfrequenzen steht noch zusätzlich der Parameter "Differenz" (oder Delta, Spread) zur Verfügung, mit dem der Abstand zwischen den Frequenzen der beiden Filter von Hand oder über eine Steuerspannung eingestellt werden kann.

Übersicht der verfügbaren Bedienelemente:

Regler/Schalter:

  • F: gemeinsamer Frequenz-Regler für beide Filter (großer Knopf)
  • Type 1 / Type 2: Filter-Typ, stufenlos L-N-H-B einstellbar
  • Link to 1: Kippschalter, mit dem gewählt werden kann, dass der Regler Type 1 gleichzeitig auch das zweite Filter steuert. Der Regler Type 2 hat dann keine Funktion.
  • SFM1 / SFM2: individuelle (engl. single) Frequenz-Modulations-Regler (Polarizer), verbunden mit den zugehörigen Buchsen SFM1/SFM2. Die Buchse SFM1 ist auf eine feste positive Spannung normalisiert, so dass der Regler SFM1 als individueller Frequenzregler für Filter 1 arbeitet, sofern die Buchse SFM1 unbeschaltet ist, die Buchse SFM2 ist auf die Buchse SFM1 normalisiert, so dass der Regler SFM2 als individueller Frequenzregler für Filter 2 arbeitet, sofern die Buchse SFM2 unbeschaltet ist
  • CFM: gemeinsamer (engl. common) Frequenz-Modulations-Regler (Polarizer), dieser steuert zwei spannungsgesteuerte VCAs (genauer zwei VC-Polarizer), welche die Signale verarbeiten die an den Buchsen CFM1 und CFM2 zugeführt werden, die Buchse CFM2 ist auf die Buchse CFM1 normalisiert, so dass auch ein identisches Modulationssignal (z.B. der Ausgang eines Hüllkurven-Generators) für beide Filter gleichzeitig verwendet und im Pegel und Polarität simultan eingestellt werden kann.
  • Delta F: steuert manuell die Differenz zwischen den Frequenzen der beiden Filter  (Frequency Spread), in Mittelstellung sind die Frequenzen gleich (sofern auch alle anderen Frequenz-Steuerungsparameter sich in neutralen Stellungen befinden)
  • Delta FM: regelt die Intensität und Polung der an der Buchse Delta FM zugeführten externe Steuerspannung für die Steuerung der Differenz zwischen den Frequenzen der beiden Filter von außen über CV. Hier kann beispielsweise der Dreieck-Ausgang eines LFOs oder ein ADSR dazu verwendet werden, um die Frequenzdifferenz von außen zu steuern).
  • Q: Resonanz-Regler für beide Filter
  • Level 1 / Level 2: Abschwächer für die Audio-Eingänge  der beiden Filter
  • QM/TM1, QM/TM2: Abschwächer für die Modulationseingänge QM/TM1 und QM/TM2, je nachdem wie die internen Steckbrücken gesetzt werden, wirken die Steuerspannungen auf Q1 und/oder Q2 und/oder Type 1 und/oder Type 2.

Buchsen:

  • In1 / In2: Audio-Eingänge, In2 ist normalisiert auf In1, so dass auch das gleiche Audio-Signal beiden Filtern zugeführt werden kann.
  • Out1 / Out2: Audio-Ausgänge
  • F: gemeinsamer Frequenz-Steuereingang für beide Filter (ca. ~ 1V/Oktave)#
  • Delta FM: Steuerspannungs-Eingang für die Frequenz-Differenz der beiden Filter, läuft über den Polarizer Delta FM
  • SFM1 / SFM2: individuelle Frequenzmodulations-Eingänge, laufen über die Polarizer SFM1 bzw. SFM2, SFM1 ist normalisiert auf eine feste positive Spannung, SFM2 ist normalisiert auf SFM1
  • CFM1 / CFM2: gemeinsame Frequenzmodulations-Eingänge, laufen über zwei spannungsgesteuerte Polarizer, die vom Regler CFM gesteuert werden,  CFM2 ist normalisiert auf CFM1
  • QM/TM1, QM/TM2: die Adressierung dieser Buchsen mit zugehörigen Abschwächern zu den Funktionen QM1, QM2, TM1 und TM2 wird über interne Steckbrücken festgelegt (QM1/QM2 bedeutet Resonanz-Modulation Filter 1/2, TM1/TM2 bedeutet Filtertyp-Modulation Filter 1/2). QM/TM1 ist normalisiert auf eine feste positive Spannung, QM/TM2 ist normalisiert auf QM/TM1

Ein Dreieck im 45-Grad-Winkel mit einem Plus-Zeichen markiert eine auf eine positive Spannung normalisierte Buchse (SFM1, QM/TM1).
Ein vertikales Dreieck markiert eine Normalisierung zwischen zwei Buchsen (In1>In2, SFM1>SFM2, CFM1>CFM2, QM/TM1>QM/TM2).

Falls sich die Filter nicht wie geplant verhalten sollten, so ist folgendes zu beachten:

  • Die Regler SFM1, SFM2, CFM, Delta F und Delta FM befinden sich in Mittelstellung in neutraler Position, da es sich hier um Polarizer handelt ! Falls sich das Filter "ungewöhnlich" verhält, sollten diese Regler zunächst in Mittelstellung gebracht werden.
  • Die Regler F, Q, Level 1, Level 2, QM/TM1 und QM/TM2 befinden sich bei Linksanschlag  in neutraler Position, da es sich hier um normale Abschwächer handelt ! Falls sich das Filter "ungewöhnlich" verhält, sollten insbesondere die Regler QM/TM1 und QM/TM2 zunächst auf Linksanschlag gebracht werden. Über die Normalisierungen der Buchsen QM/TM1 und QM/TM2 zusammen mit den zugehörigen Reglern können andernfalls die mit den anderen Reglern eingestellten Filterparameter (z.B. Type 1, Type 2 oder Q) überschrieben werden.

Mit Hilfe kleiner Kreis an der Frontplatte rechts unten kann der Anwender markieren, wie die Buchsen QM/TM1 und QM/TM2 den Funktionen zugeordnet sind. Folgende Zuordnungen sind möglich:

  • QM/TM1 steuert QM1, QM/TM2 steuert QM2, die Filtertypen werden nicht von außen gesteuert.
  • QM/TM1 steuert TM1, QM/TM2 steuert TM2, die Resonanzen werden nicht von außen gesteuert.
  • QM/TM1 steuert QM1 und QM2 gleichzeitig, QM/TM2 steuert TM1 und TM2 gleichzeitig
  • Anwendungen:
  • Stereo-Filter: zwei getrennte Signale werden den Audio-Eingängen zugeführt. An den Ausgängen erscheinen die beiden gefilterten Signale, die Filterung hängt von den manuellen Einstellungen der Parameter und der zugeführten Steuerspannungen ab.
  • Serielles Mono-Filter: das Signal wird dem Audio-Eingang 1 zugeführt. Der Audio-Ausgang 1 wird mit dem Audio-Eingang 2 verbunden. Am Audio-Ausgang 2 erscheint das zweifach gefilterte Signal. Bei der Einstellung der Filter-Frequenzen und Filter-Typen muss darauf geachtet werden, dass noch ein Signal am Ausgang erscheinen kann (schaltet man z.B. einen Tiefpass und Hochpass hintereinander, so muss die Frequenz des Tiefpasses höher als die des Hochpasses sein, damit noch ein Signal übrig bleibt).
  • Paralleles Mono-Filter: beide Audio-Eingänge werden mit dem gleichen Signal versorgt (über die Normalisierung der Buchsen In1>In2). Mit Hilfe eine Mixer-Moduls werden die beiden Audio-Ausgänge gemischt. 

285€

Stromverbrauch: 100mA auf +12 V und 100mA auf -12 V

Tiefe: 45mm


12 HP


Cookie Consent

By continuing to browse or by clicking 'Accept', you agree to the storing of cookies on your device to enhance your site experience and for analytical purposes.